询价请拨打电话 027-87267286    也可咨询 QQ:180729379   也可以使用回拨电话 !技术问题请拨:13971050926 宋经理 欢迎您的致电!

 
一、变压器测试仪器
二、绝缘测试仪器
三、断路器测试仪器
四、避雷器绝缘子测试仪器
五、接地电阻测试仪器
六、交直流试验电源设备
七、互感器检定及测试设备
八、二次回路测试仪器
九、电缆蓄电池测试仪器
十、电能表计量仪器校验
十一、串联谐振装置
十二、油测试仪器
十三、其他电工仪表
十四、环保系列产品
十五、气体检测设备
十六、瓦斯继电器校验方案
十七、继电器校验装置
 
 
产品搜索:
 
 
技术资料
接地引下线导通测试仪工作原理

[  修改时间:2016-9-26 17:43:29  作者:管理员  浏览次数:53]
 

 

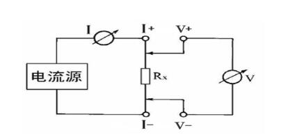
接地引下线导通测试仪采用电流电压法测试原理,也称四线法测试技术,原理方框图见图二。
 
 
图二 测试原理图
由电流源经“I+、I-两端口(也称I型口),供给被测电阻Rx电流,电流的大小有电流表I读出,Rx两端的电压降“V+、V-”两端口(也称V型口)取出,由电压表V读出。通过对I、V的测量,就可以算出被测电阻的阻值。
由上图可看出,仪器采用的是四端子法测量,因此可消除导线电阻和接触电阻带来的误差。

推荐仪器:瓦斯继电器校验台  接地引下线导通测试仪

上一条信息:双杆变压器台上的变压器如何吊装?
下一条信息:接地引下线导通测试仪操作方法
【打印此文】 【关闭窗口】

版权所有:武汉恒新国仪科技有限公司 鄂ICP备06009685号-1
销售热线:027-87262533  87262575  87262535  传真:027-87262141 全国免费热线电话:027-87267286 24小时服务热线:13971050926   13871155556
邮箱:whgykj@126.com  whgykjvip@163.com  QQ号码:180729379  地址:武汉市武昌区丁字桥路51号弘业俊园28楼   邮编:430071

相关产品:
双钳口接地电阻测试仪 接地线成组直流电阻测试仪 SF6气体回收装置 DNC多功能电能表现场校验仪 防雷元件测试仪 SF6密度继电器校验仪 超低频高压发生器
接地电阻测试仪 便携式电量记录分析仪 瓦斯继电器校验仪 三相电力参数测试仪 直流电阻测试仪 双钳相位伏安表 绝缘电阻测试仪
漏电保护器测试仪 接地引下线导通测试仪 密度继电器校验仪 GY-BL氧化锌避雷器测试仪 避雷器放电计数器检测仪 回路电阻测试仪 局部放电测试仪
直流断路器安秒测试系统 绝缘油介电强度测试仪 水内冷发电机绝缘电阻计 GY-MT智能型模拟断路器 真空开关真空度测试仪 直流高压发生器 二次负荷测试仪
直流断路器测试仪 电子兆欧表 微机继电保护测试仪 电导盐密测试仪 三相相位伏安表 电子式互感器校验仪 线缆对线器
油液颗粒度检测仪 油液质量检测仪 三相标准表 三相谐波标准源 遥控放电球隙 交直流指示仪表检定装置 油色谱测试仪
蓄电池内阻测试仪 蓄电池电导测试仪 发电机励磁特性测试仪 电能质量分析仪检定装置 便携式油液污染度检测仪 石油产品凝点测定仪 电能质量分析仪检定装置
多功能油液质量检测仪 油液质量检测仪 油液质量分析仪 颗粒计数器 油液污染度检测仪 数字接地电阻测试仪 漏电保护器测试仪

国仪科技 http://www.whgykj.com

分享到:

鄂公网安备 42010602003894号